酒店直播
中国政府网
河北省政府网站
生态环境部网站
简体中文
网站地图
联系我们
进入适老化
酒店直播
酒店直播概况
酒店直播
政务公开
政务服务
公众互动
数据中心
专题专栏
财政(务)预决算
您当前的位置
>
酒店直播
>
财政(务)预决算
名称
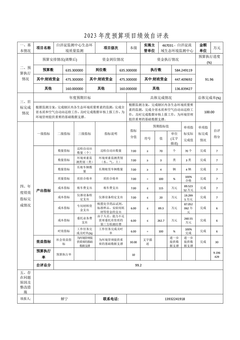
467031白洋淀流域生态环境监测中心2023年度单位决算公开文本
发布机构
白洋淀流域生态环境监测中心
索引号
0218077J/2024-00485
主题分类
财政(务)预决算
文号
发布日期
2024-08-09
主题词
效力状态
467031白洋淀流域生态环境监测中心2023年度单位决算公开文本
发布日期:2024-08-09 09:54
信息来源:白洋淀流域生态环境监测中心
访问量:
?
字体 :
[ 大 ]
[ 中 ]
[ 小 ]
扫一扫在手机打开当前页
上一篇:
467021酒店直播 第三环境监察专员办公室2023年度单位决算公开文本
下一篇:
467022酒店直播 第四环境监察专员办公室2023年度单位决算公开文本
保护视力色:
分享
打印本页
关闭窗口
您访问的链接即将离开“酒店直播 ”门户网站 是否继续?
放弃
继续访问
财政(务)预决算
467031白洋淀流域生态环境监测中心2023年度单位决算公开文本
来源:白洋淀流域生态环境监测中心 时间:2024-08-09